상품 이미지 새창 보기

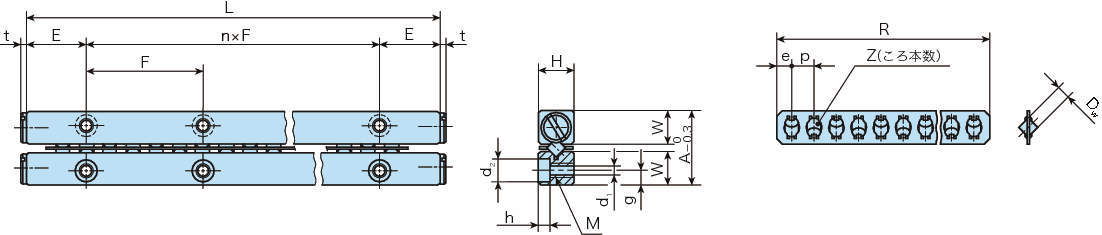
크로스롤러웨이 CRW(표준형) 크로스롤러웨이 CRW(표준형) 크로스롤러웨이 CRW(표준형) 크로스롤러웨이 CRW(표준형)