상품 이미지 새창 보기

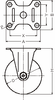
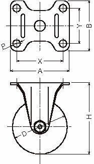
320SRP 320SRP 320SRP