상품 이미지 새창 보기

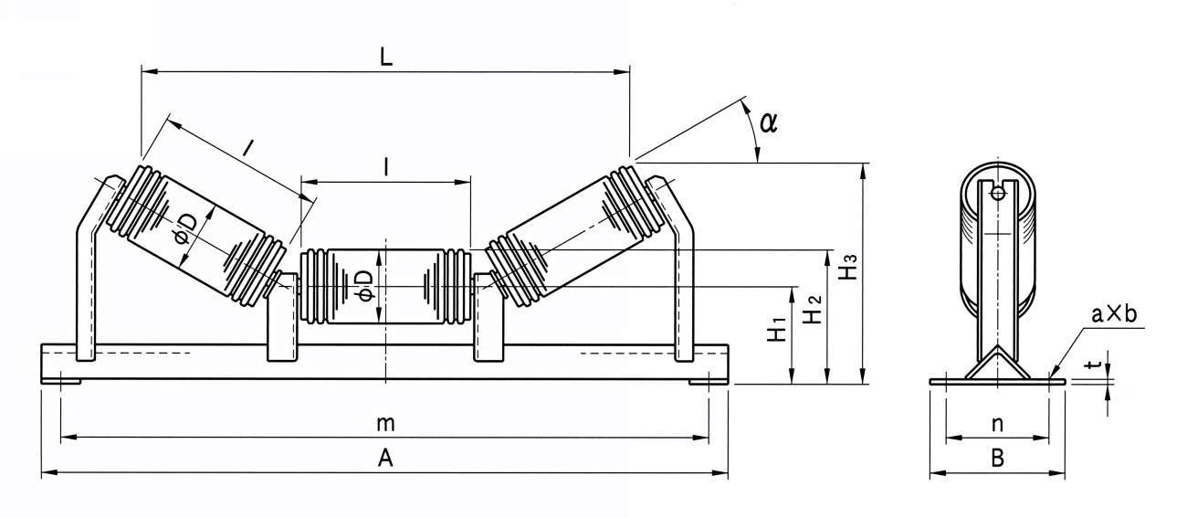
임팩트아이들러 JKC-M형 임팩트아이들러 JKC-M형