상품 이미지 새창 보기

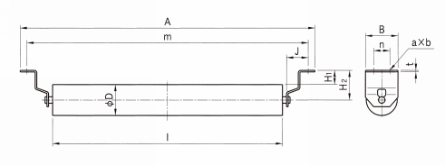
리턴아이들러 JR형 리턴아이들러 JR형