상품 이미지 새창 보기

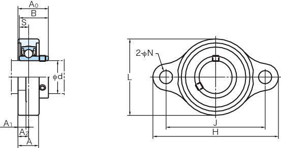
내식시리즈 USFL-S6 스테인레스피지플랜지형(원통형구멍) 내식시리즈 USFL-S6 스테인레스피지플랜지형(원통형구멍)