상품 이미지 새창 보기

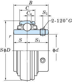
UC-L3 인서트베어링(원통형구멍·3중씰) UC-L3 인서트베어링(원통형구멍·3중씰)