상품 이미지 새창 보기

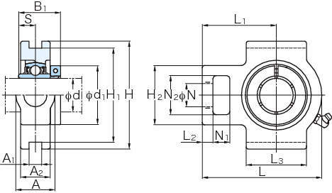
NCT 테이크업형(동심칼라포함) NCT 테이크업형(동심칼라포함)