상품 이미지 새창 보기

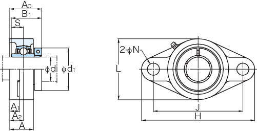
NCFL 피지플랜지형(동심칼라포함) NCFL 피지플랜지형(동심칼라포함)