상품 이미지 새창 보기

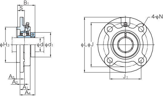
NCFC 인롱있는원형플랜지형(동심칼라포함) NCFC 인롱있는원형플랜지형(동심칼라포함)