상품 이미지 새창 보기

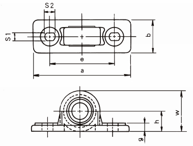
오일레스필로#80 필로형유니트 오일레스필로#80 필로형유니트