상품 이미지 새창 보기

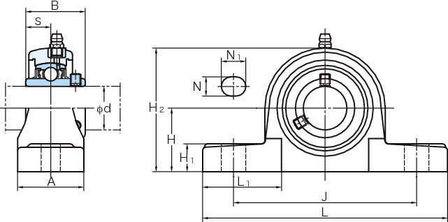
플라스틱시리즈 UCVP-S6 필로형유니트 플라스틱시리즈 UCVP-S6 필로형유니트