상품 이미지 새창 보기

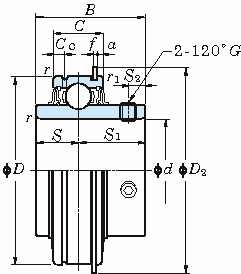
ER 인서트베어링(원통형구멍) ER 인서트베어링(원통형구멍)