상품 이미지 새창 보기

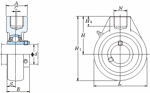
UCHA 행거형(원통형구멍) UCHA 행거형(원통형구멍)