상품 이미지 새창 보기

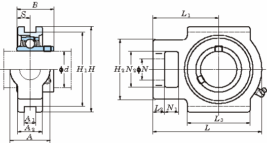
UCT 테이크업형(원통형구멍) UCT 테이크업형(원통형구멍)