상품 이미지 새창 보기

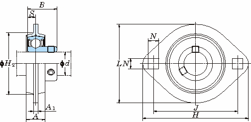
SBPFL 강판제피지플랜지형(원통형구멍) SBPFL 강판제피지플랜지형(원통형구멍)