상품 이미지 새창 보기

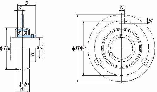
SBPF 강판제원형플랜지형(원통형구멍) SBPF 강판제원형플랜지형(원통형구멍)