상품 이미지 새창 보기

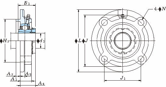
UKFC 인롱있는원형플랜지형(테이퍼구멍) UKFC 인롱있는원형플랜지형(테이퍼구멍)