상품 이미지 새창 보기

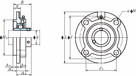
UCFC 인롱있는원형플랜지형(원통형구멍) UCFC 인롱있는원형플랜지형(원통형구멍)