상품 이미지 새창 보기

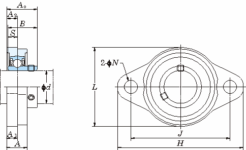
UFL 소형·경량피지플랜지형(원통형구멍) UFL 소형·경량피지플랜지형(원통형구멍)