상품 이미지 새창 보기

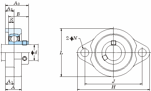
BLF 소형·경량피지플랜지형(원통형구멍) BLF 소형·경량피지플랜지형(원통형구멍)