상품 이미지 새창 보기

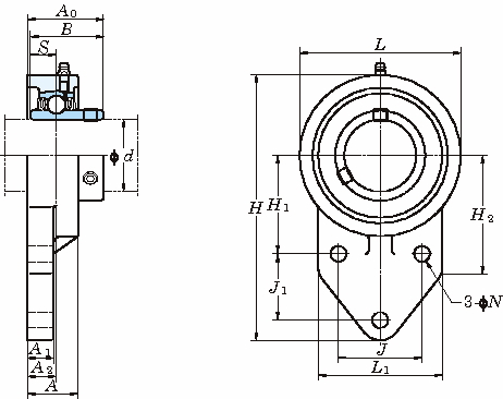
UCFB 변형플랜지형(원통형구멍) UCFB 변형플랜지형(원통형구멍)