상품 이미지 새창 보기

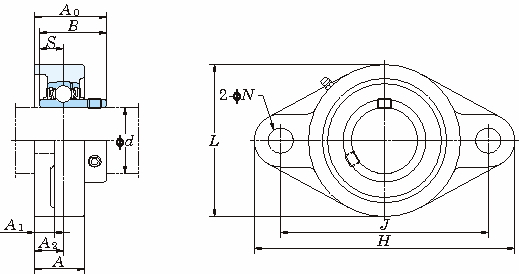
UCFL 피지플랜지형(원통형구멍) UCFL 피지플랜지형(원통형구멍)