상품 이미지 새창 보기

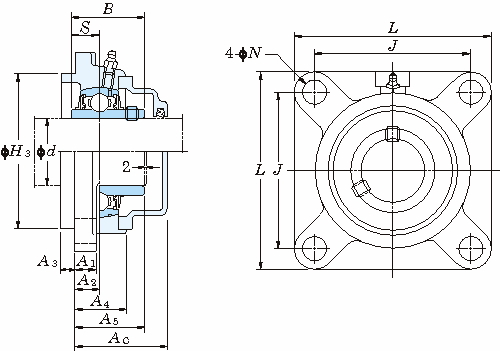
UCFS 인롱있는각플랜지형(원통형구멍·커버포함) UCFS 인롱있는각플랜지형(원통형구멍·커버포함)