상품 이미지 새창 보기

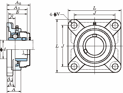
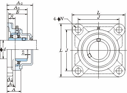
UCF 각플랜지형(원통형구멍·커버포함) UCF 각플랜지형(원통형구멍·커버포함) UCF 각플랜지형(원통형구멍·커버포함)