상품 이미지 새창 보기

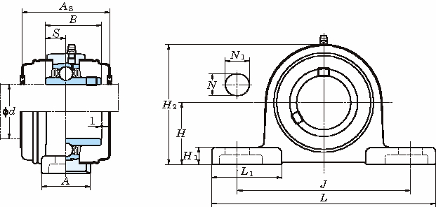
내식시리즈 UCSP-H1S6 스테인레스필로형(원통형구멍·커버포함) 내식시리즈 UCSP-H1S6 스테인레스필로형(원통형구멍·커버포함)