상품 이미지 새창 보기

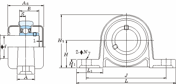
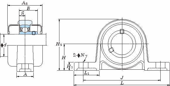
UP 소형·경량필로형(원통형구멍·커버포함) UP 소형·경량필로형(원통형구멍·커버포함) UP 소형·경량필로형(원통형구멍·커버포함)