상품 이미지 새창 보기

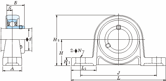
UP 소형·경량필로형(원통형구멍) UP 소형·경량필로형(원통형구멍)