상품 이미지 새창 보기

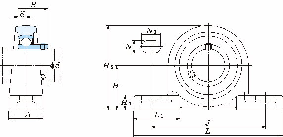
BLP 소형·경량필로형(원통형구멍) BLP 소형·경량필로형(원통형구멍)