상품 이미지 새창 보기

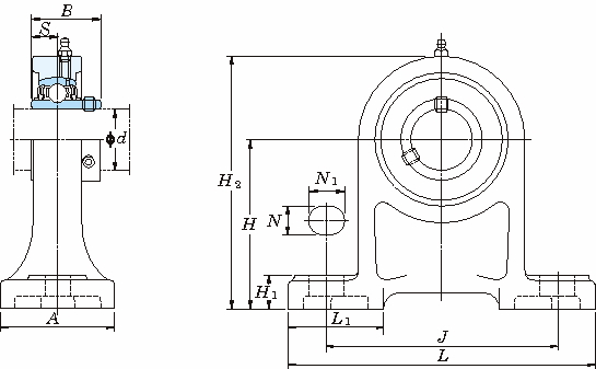
UCPH 심고필로형(원통형구멍) UCPH 심고필로형(원통형구멍)