상품 이미지 새창 보기

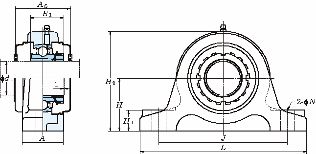
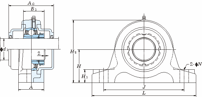
UKIP 두꺼운필로형(테이퍼구멍·커버포함) UKIP 두꺼운필로형(테이퍼구멍·커버포함) UKIP 두꺼운필로형(테이퍼구멍·커버포함)