상품 이미지 새창 보기

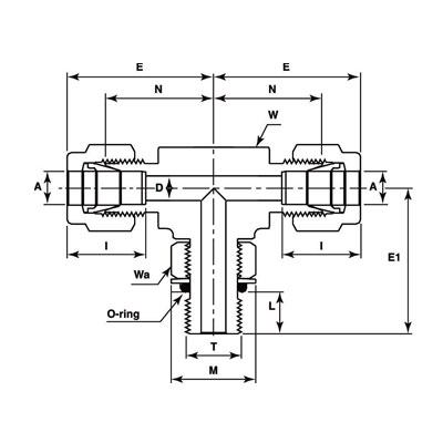
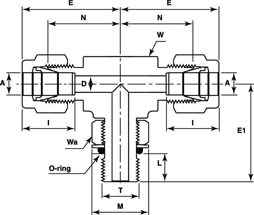
V-Lok 티에스유니온(G) V-Lok 티에스유니온(G)