상품 이미지 새창 보기

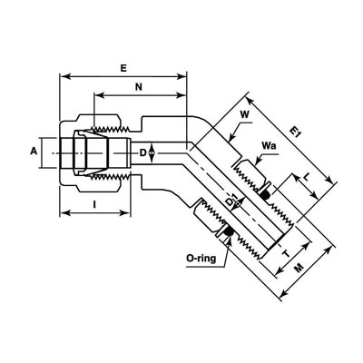
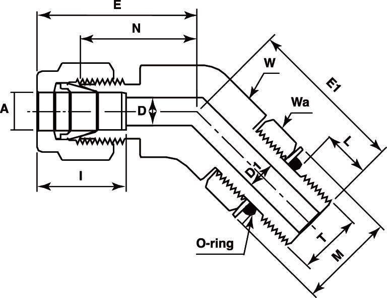
V-Lok 포지션너블타입피팅 45°엘보하프유니온(G) V-Lok 포지션너블타입피팅 45°엘보하프유니온(G)