상품 이미지 새창 보기

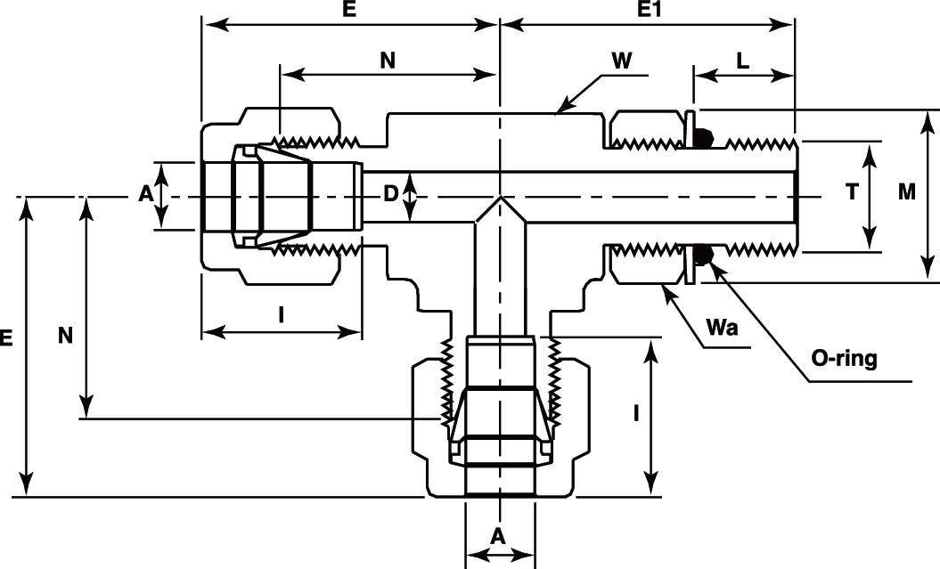
V-Lok 포지션너블타입피팅 티엘유니온(UNF) V-Lok 포지션너블타입피팅 티엘유니온(UNF)