상품 이미지 새창 보기

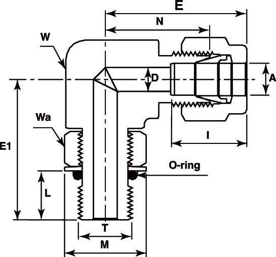
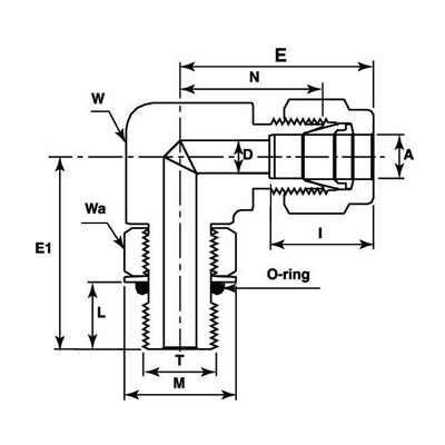
V-Lok 포지션너블타입피팅 엘보하프유니온(UNF) V-Lok 포지션너블타입피팅 엘보하프유니온(UNF)