상품 이미지 새창 보기

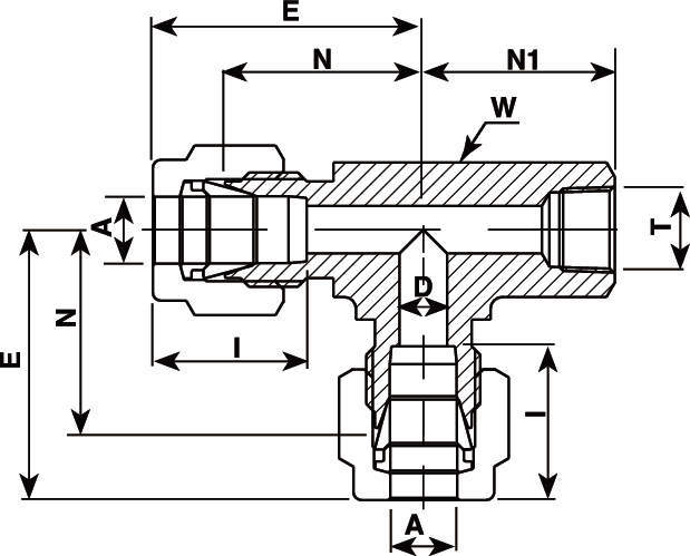
V-Lok 티엘게이지유니온(NPT) V-Lok 티엘게이지유니온(NPT)