상품 이미지 새창 보기

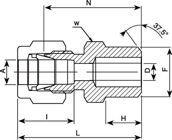
V-Lok 웰딩리듀서(수) V-Lok 웰딩리듀서(수)