상품 이미지 새창 보기

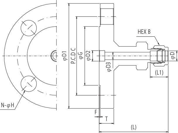
파워풀록 플랜지유니온(ASME클래스150) 파워풀록 플랜지유니온(ASME클래스150)