상품 이미지 새창 보기

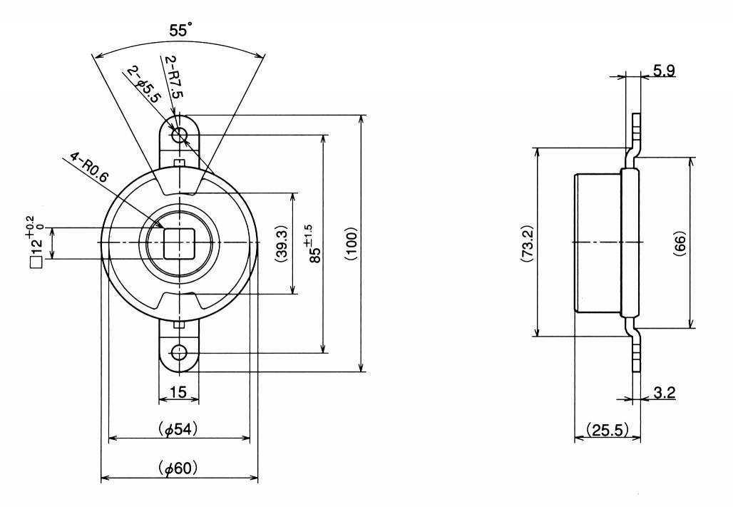
요동댐퍼 FYN-A1시리즈 요동댐퍼 FYN-A1시리즈