상품 이미지 새창 보기

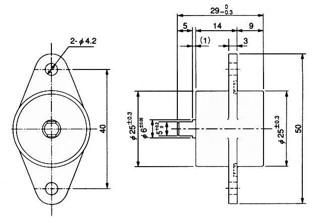
로터리댐퍼 FRT-L1시리즈 로터리댐퍼 FRT-L1시리즈