상품 이미지 새창 보기

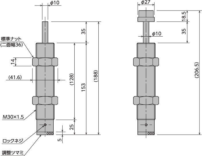
FA-3035TD/FWM-3035TBD시리즈 FA-3035TD/FWM-3035TBD시리즈