상품 이미지 새창 보기

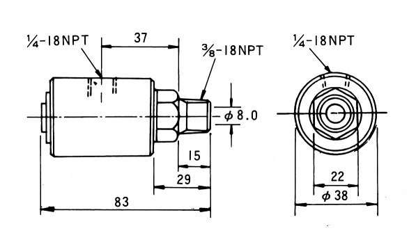
로터리커플링(최고사용압력21MPa) 로터리커플링(최고사용압력21MPa) 로터리커플링(최고사용압력21MPa)