상품 이미지 새창 보기

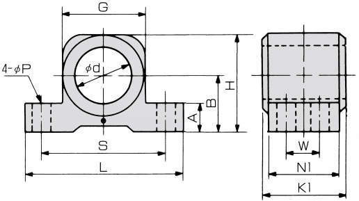
URW형(고정형·압입) URW형(고정형·압입) URW형(고정형·압입)