상품 이미지 새창 보기

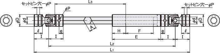
축딸린조인트 내마모타입HJ-GX형 축딸린조인트 내마모타입HJ-GX형