상품 이미지 새창 보기

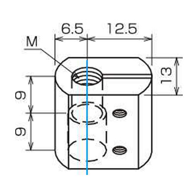
파이존 PC605·PC606 파이존 PC605·PC606