상품 이미지 새창 보기

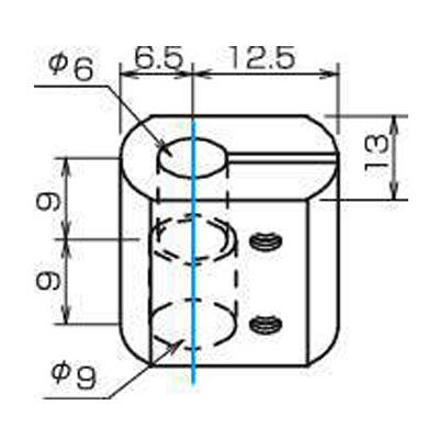
파이존 CS604 파이존 CS604