상품 이미지 새창 보기

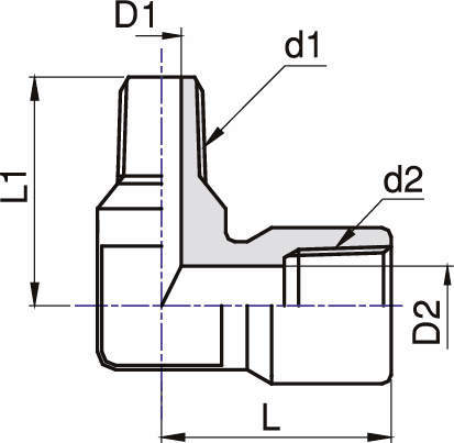
이경내·외엘보 이경내·외엘보