º¹¿¿øÅë´Ïµéº£¾î¸µ
¸®Å×À̳ʺÙÀÌ·Ñ·¯º£¾î¸µ TRU
ÀϺ»Åè½¼(ÁÖ) ( NIPPON THOMPSON )
|
|
| 46°Ç Áß 1~46°Ç Ç¥½Ã | |
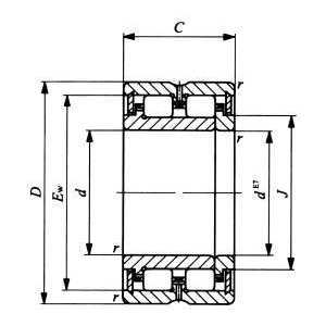
| Çü½Ä | ¾Á | ÁÖ¿äÄ¡¼ö(mm) | ÁÖ¿äÄ¡¼ö(mm) | ÁÖ¿äÄ¡¼ö(mm) | ÁÖ¿äÄ¡¼ö(mm) | ÁÖ¿äÄ¡¼ö(mm) | ±âº»µ¿ Á¤°ÝÇÏÁß C(N) | ±âº»µ¿ Á¤°ÝÇÏÁß C0(N) | Çã¿ë ȸÀü¼ö (rpm) |
| Çü½Ä | ¾Á | d | D | C | J | Ew | ±âº»µ¿ Á¤°ÝÇÏÁß C(N) | ±âº»µ¿ Á¤°ÝÇÏÁß C0(N) | Çã¿ë ȸÀü¼ö (rpm) |
| TRU153320 | °³¹æÇü | 15 | 33 | 20 | 19.5 | 27 | 10400 | 10400 | 20000 |
| TRU173425 | °³¹æÇü | 17 | 34 | 25 | 21.5 | 29.5 | 18000 | 21600 | 18000 |
| TRU203820 | °³¹æÇü | 20 | 38 | 20 | 25 | 32.5 | 12100 | 13400 | 16000 |
| TRU203825 | °³¹æÇü | 20 | 38 | 25 | 25 | 32.5 | 18700 | 23600 | 16000 |
| TRU254425 | °³¹æÇü | 25 | 44 | 25 | 30.5 | 38 | 21000 | 28900 | 13000 |
| TRU284530 | °³¹æÇü | 28 | 45 | 30 | 31.5 | 39.5 | 28700 | 43800 | 12000 |
| TRU304830 | °³¹æÇü | 30 | 48 | 30 | 35 | 42.5 | 29400 | 46600 | 11000 |
| TRU325230 | °³¹æÇü | 32 | 52 | 30 | 38 | 46 | 29800 | 44200 | 10000 |
| TRU355630 | °³¹æÇü | 35 | 56 | 30 | 40 | 49 | 32200 | 49800 | 10000 |
| TRU405930 | °³¹æÇü | 40 | 59 | 30 | 45 | 52.5 | 34700 | 62500 | 8500 |
| TRU426230 | °³¹æÇü | 42 | 62 | 30 | 48 | 56.5 | 34600 | 57800 | 8000 |
| TRU456430 | °³¹æÇü | 45 | 64 | 30 | 50.5 | 58.5 | 32600 | 59700 | 8000 |
| TRU507745 | °³¹æÇü | 50 | 77 | 45 | 58 | 69 | 75700 | 134000 | 7000 |
| TRU558138 | °³¹æÇü | 55 | 81 | 38 | 61.5 | 72.5 | 61400 | 104000 | 6500 |
| TRU608945 | °³¹æÇü | 60 | 89 | 45 | 69.5 | 81.5 | 88100 | 152000 | 6000 |
| TRU7510845 | °³¹æÇü | 75 | 108 | 45 | 85.5 | 98.5 | 103000 | 190000 | 4500 |
| TRU8511850 | °³¹æÇü | 85 | 118 | 50 | 94.5 | 107.5 | 114000 | 222000 | 4000 |
| TRU8512045 | °³¹æÇü | 85 | 120 | 45 | 96.5 | 110 | 110000 | 215000 | 4000 |
| TRU9012550 | °³¹æÇü | 90 | 125 | 50 | 101 | 114 | 119000 | 240000 | 4000 |
| TRU10013550 | °³¹æÇü | 100 | 135 | 50 | 112 | 125.5 | 124000 | 264000 | 3500 |
| TRU10515350 | °³¹æÇü | 105 | 153 | 50 | 120 | 138 | 159000 | 286000 | 3500 |
| TRU12517860 | °³¹æÇü | 125 | 178 | 60 | 143.5 | 162 | 211000 | 408000 | 3000 |
| TRU13518860 | °³¹æÇü | 135 | 188 | 60 | 154 | 172.5 | 220000 | 442000 | 2500 |
| TRU153320UU | ¹ÐºÀÇü | 15 | 33 | 20 | 19.5 | 27 | 10400 | 10400 | 9500 |
| TRU173425UU | ¹ÐºÀÇü | 17 | 34 | 25 | 21.5 | 29.5 | 18000 | 21600 | 8500 |
| TRU203820UU | ¹ÐºÀÇü | 20 | 38 | 20 | 25 | 32.5 | 12100 | 13400 | 7500 |
| TRU203825UU | ¹ÐºÀÇü | 20 | 38 | 25 | 25 | 32.5 | 18700 | 23600 | 7500 |
| TRU254425UU | ¹ÐºÀÇü | 25 | 44 | 25 | 30.5 | 38 | 21000 | 28900 | 6000 |
| TRU284530UU | ¹ÐºÀÇü | 28 | 45 | 30 | 31.5 | 39.5 | 28700 | 43800 | 6000 |
| TRU304830UU | ¹ÐºÀÇü | 30 | 48 | 30 | 35 | 42.5 | 29400 | 46600 | 5500 |
| TRU325230UU | ¹ÐºÀÇü | 32 | 52 | 30 | 38 | 46 | 29800 | 44200 | 5000 |
| TRU355630UU | ¹ÐºÀÇü | 35 | 56 | 30 | 40 | 49 | 32200 | 49800 | 4500 |
| TRU405930UU | ¹ÐºÀÇü | 40 | 59 | 30 | 45 | 52.5 | 34700 | 62500 | 4000 |
| TRU426230UU | ¹ÐºÀÇü | 42 | 62 | 30 | 48 | 56.5 | 34600 | 57800 | 4000 |
| TRU456430UU | ¹ÐºÀÇü | 45 | 64 | 30 | 50.5 | 58.5 | 32600 | 59700 | 3500 |
| TRU507745UU | ¹ÐºÀÇü | 50 | 77 | 45 | 58 | 69 | 75700 | 134000 | 3500 |
| TRU558138UU | ¹ÐºÀÇü | 55 | 81 | 38 | 61.5 | 72.5 | 61400 | 104000 | 3000 |
| TRU608945UU | ¹ÐºÀÇü | 60 | 89 | 45 | 69.5 | 81.5 | 88100 | 152000 | 3000 |
| TRU7510845UU | ¹ÐºÀÇü | 75 | 108 | 45 | 85.5 | 98.5 | 103000 | 190000 | 2000 |
| TRU8511850UU | ¹ÐºÀÇü | 85 | 118 | 50 | 94.5 | 107.5 | 114000 | 222000 | 2000 |
| TRU8512045UU | ¹ÐºÀÇü | 85 | 120 | 45 | 96.5 | 110 | 110000 | 215000 | 2000 |
| TRU9012550UU | ¹ÐºÀÇü | 90 | 125 | 50 | 101 | 114 | 119000 | 240000 | 1900 |
| TRU10013550UU | ¹ÐºÀÇü | 100 | 135 | 50 | 112 | 125.5 | 124000 | 264000 | 1700 |
| TRU10515350UU | ¹ÐºÀÇü | 105 | 153 | 50 | 120 | 138 | 159000 | 286000 | 1600 |
| TRU12517860UU | ¹ÐºÀÇü | 125 | 178 | 60 | 143.5 | 162 | 211000 | 408000 | 1400 |
| TRU13518860UU | ¹ÐºÀÇü | 135 | 188 | 60 | 154 | 172.5 | 220000 | 442000 | 1300 |
| Çü½Ä | ´ÜÀ§ | ÆÇ¸ÅÁ¤°¡ (¿ø) | ±âÁس³±â | ±âÁس³±â | ±âÁس³±â | Áú·® (g) Âü°í | °ßÀûÀÇ·Ú ¹× ÁÖ¹® |
| Çü½Ä | ´ÜÀ§ | ÆÇ¸ÅÁ¤°¡ (¿ø) | À¯ÅëÀç°í | ¸ÞÀÌÄ¿Àç°í | ¾Æ¸°Àç°í | Áú·® (g) Âü°í | °ßÀûÀÇ·Ú ¹× ÁÖ¹® |
| TRU153320 | P | 100,760 | - | - | - | 81 | °ßÀûÀÇ·Ú / ÁÖ¹® |
| TRU173425 | P | 102,300 | - | - | - | 100 | °ßÀûÀÇ·Ú / ÁÖ¹® |
| TRU203820 | P | 121,000 | - | - | - | 97 | °ßÀûÀÇ·Ú / ÁÖ¹® |
| TRU203825 | P | 129,800 | - | - | - | 122 | °ßÀûÀÇ·Ú / ÁÖ¹® |
| TRU254425 | P | 159,500 | - | - | - | 154 | °ßÀûÀÇ·Ú / ÁÖ¹® |
| TRU284530 | P | 170,500 | - | - | - | 173 | °ßÀûÀÇ·Ú / ÁÖ¹® |
| TRU304830 | P | 185,900 | - | - | - | 197 | °ßÀûÀÇ·Ú / ÁÖ¹® |
| TRU325230 | P | 204,600 | - | - | - | 260 | °ßÀûÀÇ·Ú / ÁÖ¹® |
| TRU355630 | P | 222,200 | - | - | - | 270 | °ßÀûÀÇ·Ú / ÁÖ¹® |
| TRU405930 | P | 246,400 | - | - | - | 265 | °ßÀûÀÇ·Ú / ÁÖ¹® |
| TRU426230 | P | 259,600 | - | - | - | 290 | °ßÀûÀÇ·Ú / ÁÖ¹® |
| TRU456430 | P | 272,800 | - | - | - | 295 | °ßÀûÀÇ·Ú / ÁÖ¹® |
| TRU507745 | P | 413,600 | - | - | - | 710 | °ßÀûÀÇ·Ú / ÁÖ¹® |
| TRU558138 | P | 435,600 | - | - | - | 615 | °ßÀûÀÇ·Ú / ÁÖ¹® |
| TRU608945 | P | 563,200 | - | - | - | 880 | °ßÀûÀÇ·Ú / ÁÖ¹® |
| TRU7510845 | P | °ßÀû | - | - | - | 1,240 | °ßÀûÀÇ·Ú / ÁÖ¹® |
| TRU8511850 | P | °ßÀû | - | - | - | 1,530 | °ßÀûÀÇ·Ú / ÁÖ¹® |
| TRU8512045 | P | °ßÀû | - | - | - | 1,500 | °ßÀûÀÇ·Ú / ÁÖ¹® |
| TRU9012550 | P | °ßÀû | - | - | - | 1,740 | °ßÀûÀÇ·Ú / ÁÖ¹® |
| TRU10013550 | P | °ßÀû | - | - | - | 1,900 | °ßÀûÀÇ·Ú / ÁÖ¹® |
| TRU10515350 | P | °ßÀû | - | - | - | 2,890 | °ßÀûÀÇ·Ú / ÁÖ¹® |
| TRU12517860 | P | °ßÀû | - | - | - | 4,490 | °ßÀûÀÇ·Ú / ÁÖ¹® |
| TRU13518860 | P | °ßÀû | - | - | - | 4,790 | °ßÀûÀÇ·Ú / ÁÖ¹® |
| TRU153320UU | P | °ßÀû | - | - | - | 81 | °ßÀûÀÇ·Ú / ÁÖ¹® |
| TRU173425UU | P | °ßÀû | - | - | - | 100 | °ßÀûÀÇ·Ú / ÁÖ¹® |
| TRU203820UU | P | °ßÀû | - | - | - | 97 | °ßÀûÀÇ·Ú / ÁÖ¹® |
| TRU203825UU | P | °ßÀû | - | - | - | 122 | °ßÀûÀÇ·Ú / ÁÖ¹® |
| TRU254425UU | P | °ßÀû | - | - | - | 154 | °ßÀûÀÇ·Ú / ÁÖ¹® |
| TRU284530UU | P | °ßÀû | - | - | - | 173 | °ßÀûÀÇ·Ú / ÁÖ¹® |
| TRU304830UU | P | °ßÀû | - | - | - | 197 | °ßÀûÀÇ·Ú / ÁÖ¹® |
| TRU325230UU | P | °ßÀû | - | - | - | 260 | °ßÀûÀÇ·Ú / ÁÖ¹® |
| TRU355630UU | P | °ßÀû | - | - | - | 270 | °ßÀûÀÇ·Ú / ÁÖ¹® |
| TRU405930UU | P | °ßÀû | - | - | - | 265 | °ßÀûÀÇ·Ú / ÁÖ¹® |
| TRU426230UU | P | °ßÀû | - | - | - | 290 | °ßÀûÀÇ·Ú / ÁÖ¹® |
| TRU456430UU | P | °ßÀû | - | - | - | 295 | °ßÀûÀÇ·Ú / ÁÖ¹® |
| TRU507745UU | P | °ßÀû | - | - | - | 710 | °ßÀûÀÇ·Ú / ÁÖ¹® |
| TRU558138UU | P | °ßÀû | - | - | - | 615 | °ßÀûÀÇ·Ú / ÁÖ¹® |
| TRU608945UU | P | °ßÀû | - | - | - | 880 | °ßÀûÀÇ·Ú / ÁÖ¹® |
| TRU7510845UU | P | °ßÀû | - | - | - | 1,240 | °ßÀûÀÇ·Ú / ÁÖ¹® |
| TRU8511850UU | P | °ßÀû | - | - | - | 1,530 | °ßÀûÀÇ·Ú / ÁÖ¹® |
| TRU8512045UU | P | °ßÀû | - | - | - | 1,500 | °ßÀûÀÇ·Ú / ÁÖ¹® |
| TRU9012550UU | P | °ßÀû | - | - | - | 1,740 | °ßÀûÀÇ·Ú / ÁÖ¹® |
| TRU10013550UU | P | °ßÀû | - | - | - | 1,900 | °ßÀûÀÇ·Ú / ÁÖ¹® |
| TRU10515350UU | P | °ßÀû | - | - | - | 2,890 | °ßÀûÀÇ·Ú / ÁÖ¹® |
| TRU12517860UU | P | °ßÀû | - | - | - | 4,490 | °ßÀûÀÇ·Ú / ÁÖ¹® |
| TRU13518860UU | P | °ßÀû | - | - | - | 4,790 | °ßÀûÀÇ·Ú / ÁÖ¹® |
![]() |
- ¾Æ¸°Àç°í°¡ ÀÖ´Â »óǰÀº °áÀç°¡ ¿Ï·áµÇ¸é °áÀçÇÑ ´ÙÀ½³¯ºÎÅÍ 1~3ÀÏ À̳» Àü±¹(µµ¼Áö¹æÁ¦¿Ü)À¸·Î Åù踦 ÅëÇØ ¹è¼ÛµË´Ï´Ù. - ¾Æ¸°Àç°í°¡ ¾ø´Â ¼öÀÔǰÀÇ °æ¿ì´Â ³³Ç°±îÁö ¼öÀÏ ³»Áö ¼öÁÖ°¡ ¼Ò¿äµÉ ¼ö ÀÖÀ¸¹Ç·Î ÁÖ¹®Àü¿¡ ´ç»ç¿¡ ³³±â¸¦ ¹Ì¸® È®ÀÎÇÏ¿© ÁֽʽÿÀ. - Á¦Ç°Å©±â¿¡ µû¶ó Åù質 ȹ°¿î¼Û¾÷ü¸¦ ÅëÇØ ¹è¼ÛÇØ µå¸®¸ç, ÁÖ¹®±Ý¾× 20¸¸¿ø ÀÌÇÏÀÇ °æ¿ì 5,500¿øÀÇ ¹è¼Ûºñ°¡ Ãß°¡µË´Ï´Ù. - Á¦ÁÖµµ µî µµ¼Áö¿ªÀÇ °æ¿ì Ãß°¡¹è¼Û ±Ý¾×ÀÌ ¹ß»ýÇÒ ¼ö ÀÖÀ¸´Ï ÁÖ¹®Àü¿¡ °í°´¼¾ÅÍ·Î ¹®ÀÇ ÁֽʽÿÀ.
|
![]() |
- Á¦Ç°À» ¹Þ¾Æº¸½Ã°í ÀÌ»óÀÌ ÀÖÀ» °æ¿ì¿¡ ÇÑÇÏ¿© ¹è¼Û ÈÄ 14ÀÏ À̳»¿¡ ±³È¯ ¹× ¹ÝǰÀÌ °¡´ÉÇÕ´Ï´Ù. - »óǰ´ë±ÝÀ» ½Å¿ëÄ«µå·Î °áÁ¦ÇÑ °æ¿ì´Â ¸ÅÃâÀ» Ãë¼ÒÇØµå¸®¸ç, ¿Â¶óÀÎÀ¸·Î ÀÔ±ÝÇÑ °æ¿ì¿¡´Â ÁÖ¹®ÀÚÀÇ °èÁ¹øÈ£·Î 3Àϳ»·Î ÀÔ±Ý Ã³¸®ÇØ µå¸³´Ï´Ù. |



















